021-51099198
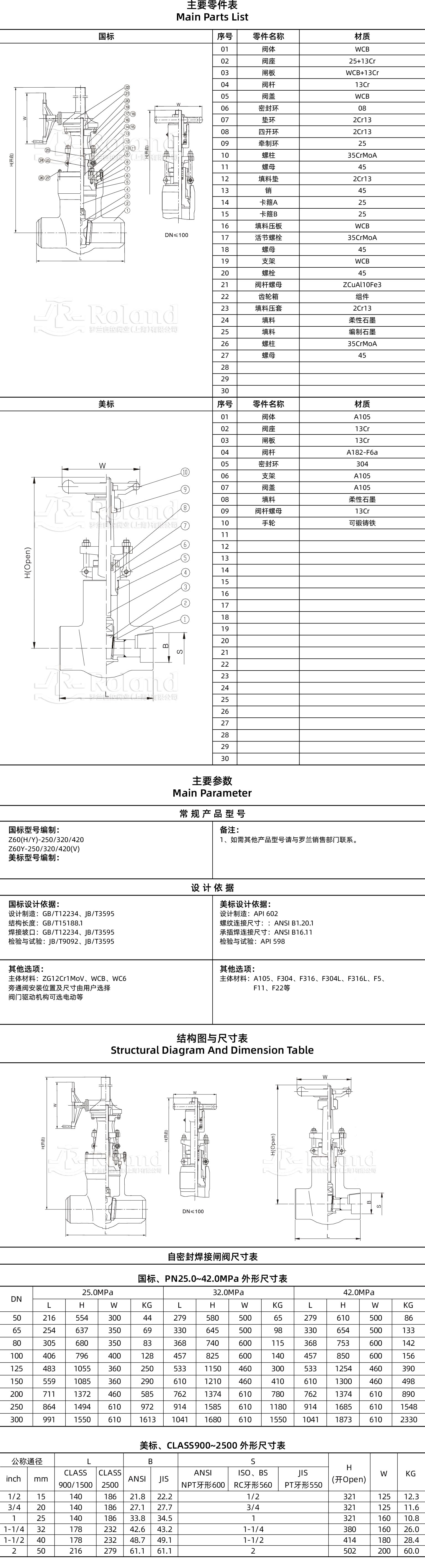
高温高压电站闸阀采用等径直通结构的流道设计,降低了流阻系数与能量的损耗,流通能力大,显著提高了阀门使用寿命和性能。
阀杆经调质和表面氮化处理,具有良好的抗腐蚀性和抗擦伤性。
中腔采用压力自紧式密封结构,内腔压力越高密封性能越好支管两端为焊接连接适应不同的接管要求。
闸板和阀座的密封面采用硬质合金堆焊而成,密封硬度高、耐磨、耐高温、耐腐蚀、抗擦伤性能好使用寿命长。
阀门的阀体与阀盖的连接采用压力自紧密封结构。楔形密封环与四开环组合。压力越高密封越可靠。 阀杆头部整体锻造。与闸板通过T型槽连接,保证强度。
自密封焊接闸阀的上密封面采用奥氏体不锈钢或硬质合金堆焊而成,密封可靠、耐腐蚀,更换填料可在不停机的情况下进行,不影响系统运行。




